機械製図2D/3D-CADオペレータ養成科

こんなお悩み、ありませんか?

  • 手に職をつけたいけど、何から始めればいいかわからない
  • CADに興味があるけど、使ったことがなくて不安
  • 未経験からでも、設計の仕事に就けるか心配
  • できれば「ものづくり」に関わる仕事がしたい
  • 就職活動を見据えて、実務に直結するスキルを身につけたい

そんなあなたにぴったりの
訓練です!

この講座では、未経験から設計・製図の基礎を身につけ、実務で通用する力を育てます。

パソコン操作に慣れていない方でも、一から丁寧に学べるカリキュラムです。

いま、こんな人が求められています

「設計現場では、CADを動かせる人よりも
”図面が読める人”
が求められています。」

ものづくりの現場では、図面を理解し、構造を読み解く力が必要です。
この訓練では、単なる操作スキルではなく「考えながら描く力」を育てます。

この訓練で身につく力

複数の講師による直接指導で、2Dと3D両方のCAD操作に対応。
また、機械図面を読み解く知識と実務に直結するスキルをバランスよく習得できます。

2Dと3Dは切っても切り離せない関係。

優れた製品には設計者の視点が不可欠であり、CAD図面はその設計意図を形にする重要なツールです。

当講座では、両方のスキルを体系的に学び、就職・キャリアアップに直結する実践的な力を身につけます。

使用するCADソフト

本訓練では、AutoCADで線・寸法などの基礎操作から、実際の図面を作成する実務的な演習まで段階的に学習します。
「CADを触ったことがない方」でも、安心して習得できるよう設計されたカリキュラムです。
Inventorでは、「立体的に考える設計力」を育てます。
図面の奥にある構造や部品の関係を理解することで、実際のモノづくり現場に近い感覚で設計ができるようになります。

「誰でも最初は未経験」- 12期分の卒業生が、現場で活躍中 - 

修了後の進路。多様なキャリアが「形」になる。

前職 就職先・職種
消防士 機械製造会社 設計補助職
飲食業(接客) ものづくり企業 CADオペレータ職
小売業(販売) 機械設計アシスタント
建築CADオペレータ 機械設計会社 CAD職
事務職 設計アシスタント(製造業)

こんな方におすすめ!

  •   未経験から設計・製図の仕事を目指したい
  •   現場経験をスキルに変えてキャリアアップしたい
  •   図面を読める力を活かして転職を考えている
  •   将来的に設計・製造・施工管理に携わりたい

申し込み方法

お申込みは、お住まい所轄のハローワークにて、ご対応のほど宜しくお願い申し上げます。

「求職者支援訓練で、9月開講の機械製図2D/3D-CADオペレータ養成科の訓練受講したいのですが・・・。」とハローワーク受付担当者様にお尋ねください。

募集が終了した直近のコース案内

令和7年9月開講求職者支援訓練

機械製図2D/3D-CADオペレーター養成科 受講風景

求職者支援訓練(6か月)  

機械製図2D/3D-CADオペレータ養成科 定員15名

【神奈川県9月開講(第13期)コース受講生募集要項】

  • 訓練番号:5-07-14-002-16-0164
  • 訓練期間:令和7年9月18日~令和8年3月17日
  • 募集期間:令和7年7月29日~令和7年8月19日
  • 選考日:令和7年8月28日
  • 合格通知日:令和7年9月2日

機械製図2D/3D-CADオペレーター養成科 教科書

 

※説明会は各ハローワークにて

見学は随時受付しております。
見学予約やお問い合わせは 電話 042-776-4351 山田・関までお願い申し上げます。

 

訓練の特徴 

「図面がばらせる人」になろう

CADを動かせるだけでは、設計者にはなれません。

設計の原点は、図面を理解し、分解(ばらし)できる力です。

本訓練「機械製図2D/3D-CADオペレータ養成科」では、基礎から体系的に、”考える設計”を学びます。

「図面がばらせる」とは?

CADスキルより、図面を読める力が重要です。

機械設計では、1つの製品が複数の部品で構成されています。
その構造を理解し、部品ごとの図面に展開(ばらし)していく作業こそが、設計補助・CADオペレーターとしての重要な役割です。

この図面のばらし展開ができる人は、現場で非常に評価されます。
すぐに身につくスキルではありませんが、だからこそ本訓練では、実践的な演習を通じて習得していきます。

CAD操作ができるだけより、
「図面が読める人
」の方が重宝される。

3D-CADも基礎は2Dの理解から

3D-CADが主流になりつつありますが、読図力が備わっていれば、CAD操作は”後から覚える作業”です。

2D図面を理解し、展開できる力があれば、
3D-CADへの移行もスムーズです。

「3回のキャリア支援で内定を実現」

スキルを身につけても、就職につながらなければ意味がありません。

この訓練は「就職」を目的とした求職者支援訓練です。

  • キャリア相談(全3回)
  • 応募書類・面接対策
  • 個別の就活戦略プランニング

一般事務職+CADオペレーターなど、
あなたに最適な就職ルートを一緒に設計します。

就職はゴールではなく、スタート。
一人ひとりに最適な道を一緒に探します。

就職をゴールに捉えたカリキュラム

6か月間の訓練は、受講生からよくこう言われます。

「あっという間でした。でも確実に成長できた6ヵ月でした」

忙しく分、学べることが多い濃密な時間です。
私たちは受講生一人ひとりに寄り添い、成果につながるサポートをします。

あなたの挑戦を、全力で支援します。

訓練の内容と詳細

以下の訓練実施科目は訓練実施していく順番に掲載いたしております。(ご参考ににされてください。)

就職支援①

就職活動の土台をつくる

就職活動は、やみくもに動くほど不安が大きくなります。
だからこそ、最初に「土台」をつくります。まずは「
自分を知る」ことから。
これまでの経験、強み、価値観を丁寧に整理します。

次に「企業を知る」こと。
業界や職種の特徴、企業が求めている人物像を理解します。そのうえで、自分と企業の接点を見つけていきます。目標や方向性を明確にし、ぶれない軸をつくります。
さらに、求人情報の探し方や種類、労働市場の見方を学びます。視野を広げ、可能性を広げるための具体的な方法を身につけます。

求職活動の全体像を理解する、最も重要なステップです。

 

■訓練時間:4時限

就職活動を始める準備を整えます

空間把握演習(手書き)

空間把握は図面を読む上で必ず養わなければならないものです。
日本においては、機械製図は第三角法という考え方で図面を作成します。
ある形状の立体認識を深めていくのですが、これはトレーニングで一定レベルを習得できるものなので、ひとつひとつ着実に取り組んでいくことだと思います。
先人の方々がCADが存在しない時代に、ドラフター(図板)にトレーシングペーパーを敷いてシャーペンやけし板といった道具で1本1本線を引き、1枚の図面を仕上げていったわけですが、まさに手書き図面の機微を経験することで、先人の凄さも体感していただけるかと思います。

 

■訓練時間:60時限

紙と鉛筆で空間把握の訓練

機械製図概論(機械製図座学)

機械製図をしていく上での「お約束」や「基礎的な知識」といった内容を動画や座学といった様々な形式で習得して頂く内容です。
とは言え、実際には短期習得は正直この段階では簡単ではありません。
実際に課題を演習する中で都度都度確認・補完し続けながら徐々に根が下りていくものです。
決して慌てずにコツコツと取り組むのが、それこそ「コツ」なのです。

 

■訓練時間:24時限

理論と実際の差を解説

CADコマンド演習(2D-CAD)

とにかくまずはCADで線を引いたり、丸を描いたりといった基本的な操作を習得して頂く演習です。
CAD初心者の方は期待と不安いっぱいで受講されますが、心配無用です。
ツールはAutoCAD(オートキャド)を使用します。
分かりやすく操作を習得できる「ツボ」をお伝えしますので。

 

■訓練時間:24時限

線を引いたり、円を描いたりと
基本の操作を反復練習します

CADトレース演習(2D-CAD)

CADトレースとは、図面をCADデータとして書き写す作業です。

課題形式のワークシートを使用し、CADコマンドの操作精度を高める事を主眼に、併せて機械製図のルール(尺度、寸法、図形の表現方法など)の理解向上を図ります。

機械製図概論で学んだ内容を、「CADで描く」ことで理解を深めることが狙いです。

※図面ばらしとは複数の要素からなる図面、いわゆる組立図や計画図から個々の要素を抽出し製図する作業です。

■訓練時間:96時限

はじめて自分で描いたCAD図面は
一生の宝物です

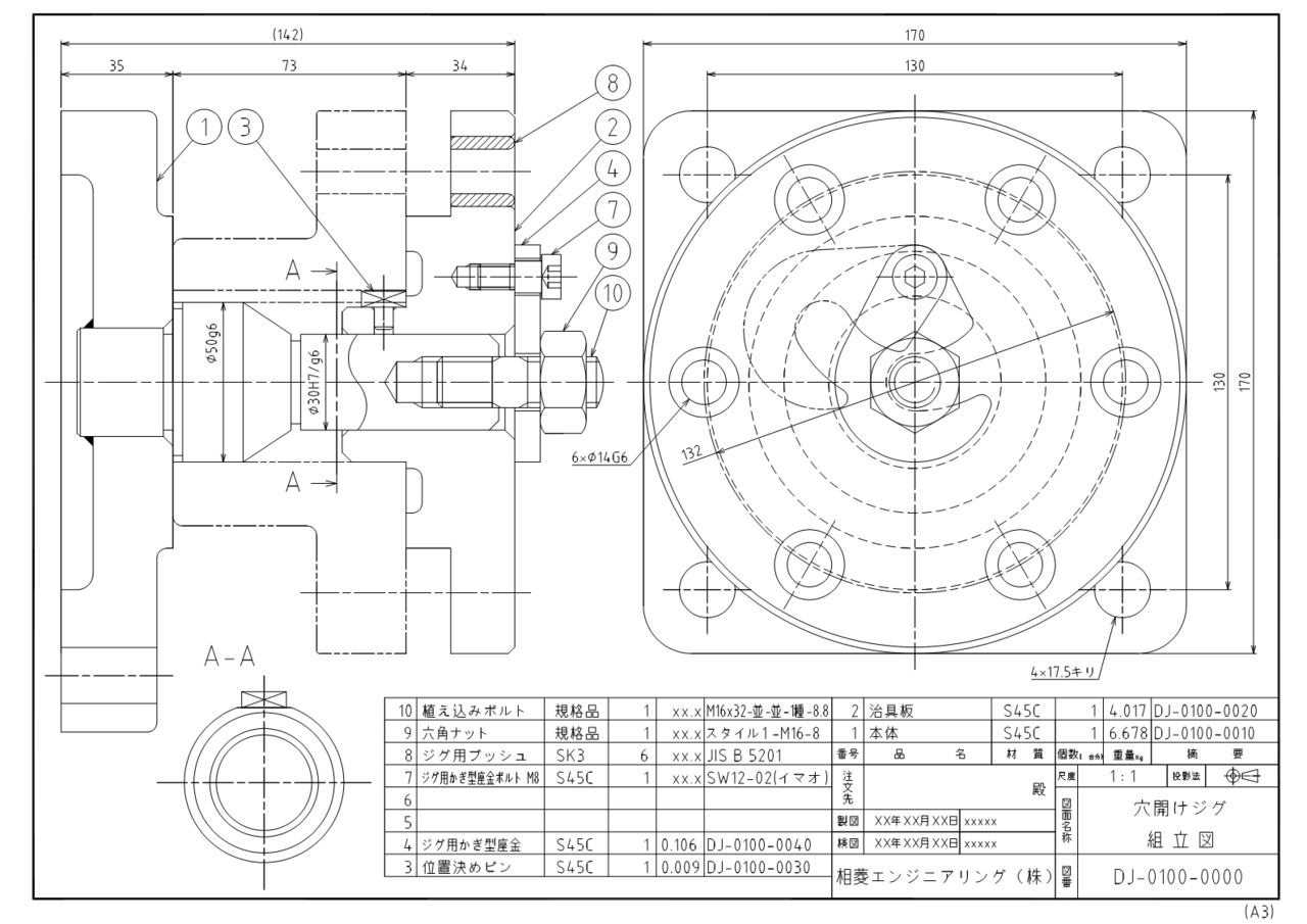
DJ設計計画図面ばらし演習(2D-CAD)

計画図面から部品図を作成する実務でもある「ばらし業務」本番さながらのシチュエーションで取り組んで頂く科目です。
今まで取り組んできた内容を1枚の図面作成に集約させていきます。
作図よりも考える時間が増していくことになりますが、考える順番や判断などはその都度、何度も確認し反復しながら習熟していきます。
本訓練の肝と言うべき、ばらし業務に真っ直ぐ取り組んでください。

 

■訓練時間:24時限

穴あけジグの部品1つ1つを
実際に描いてみよう

DD設計計画図面ばらし演習(2D-CAD)

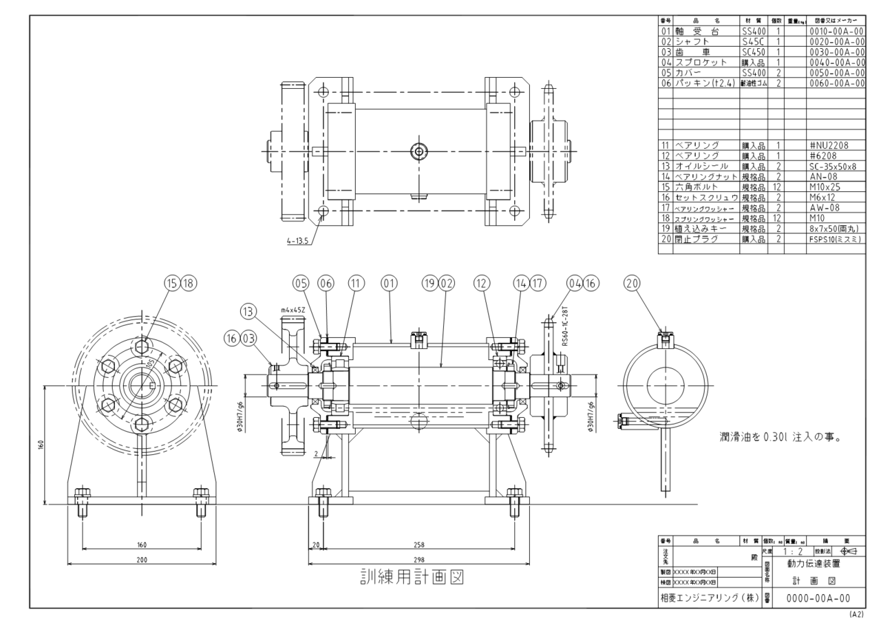
DD(動力伝達装置)のばらしは、ばらし科目の集大成です。様々な機械要素がもれなく構成されている実務課題の王道です。
ただの単品部品のみならず、溶接構造品(軸受台)も盛り込まれ質と量がさらに増した内容となっております。チャレンジ精神を発揮して何度も繰り返して取り組んで身に付ければ、スキルの精度が確実に向上します。

 

■訓練時間:48時限

最初の難関図面の動力伝達装置
ここを超えると2Dの実力がかなり付く

就職支援②

応募書類を「武器」にする

応募書類は、単なる提出書類ではありません。
あなたの価値を伝える「武器」です。

応募書類作成を、つらい作業から前向きな作業へ。
カバーレター・履歴書・職務経歴書の意味と役割を理解し、選ばれる書類のポイントを丁寧に解説します。

通過する書類と落ちる書類の違いはどこにあるのか。具体例を使いながら、見落とされがちなポイントを整理します。面接につながる書類とは何か。そのためのテクニックを含めて、実践的にサポートします。

「楽しんで書く」ことで、伝わる書類を完成させます

 

■訓練時間:6時限

日頃の訓練とはまた違い、楽しみながら応募書類を作るノウハウを学びます

PD設計計画図面ばらし演習(2D-CAD)

PD(駆動装置)のばらしは、DDにより多くの機械要素に触れることができる実務直結の課題です。
オイルシールやプーリ、スパーギアなども盛り込まれ質と量がさらに増した内容となっております。購入品やばね座金などのAutoCADに組み込まれているデータの扱うスキルも向上します。

 

■訓練時間:30時限

プーリーやスパーギアといった
機械要素が増えた機構を自らの手で

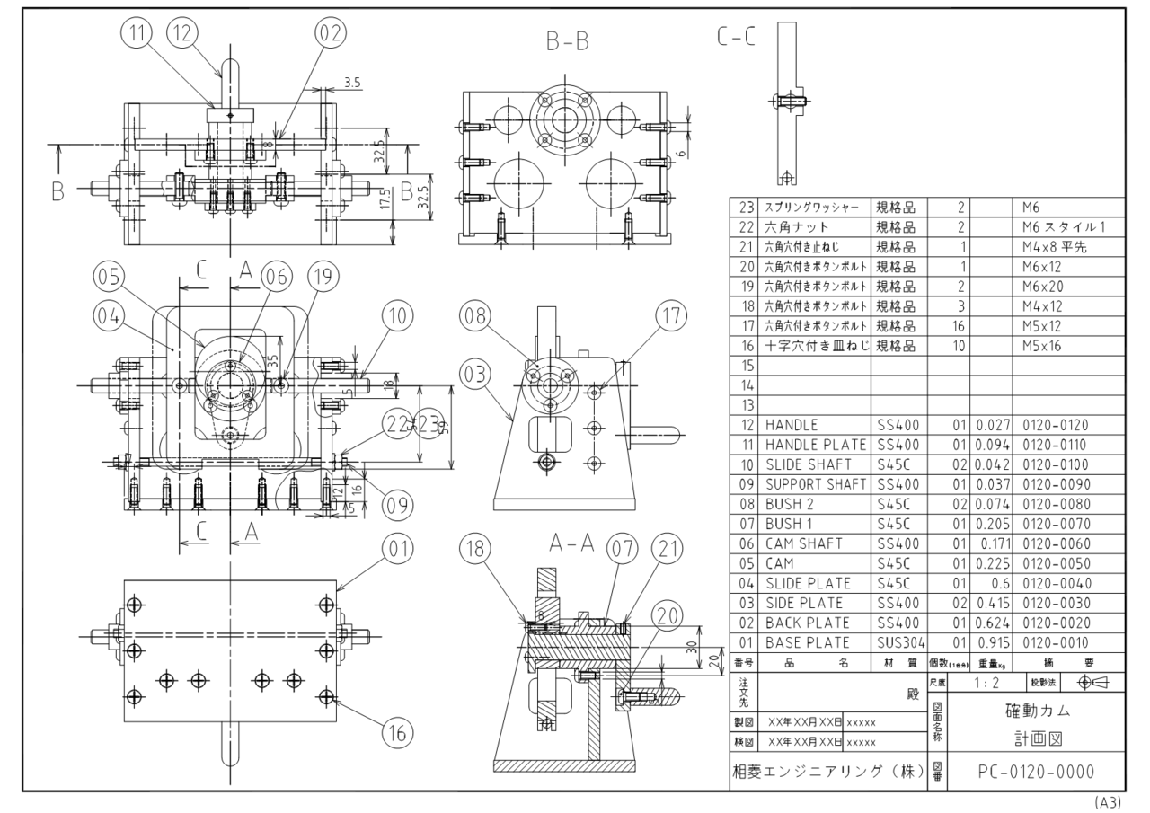
  確動カム設計計画図面ばらし演習(2D-CAD)

確動カム(以下PC)は、動的な動きを想像しながら「どのように動き、組み上げられるか」を理解したうえで取り組む演習です。おもちゃのように動く構造なので、楽しみながら取り組めます。完成した図面は、このあと行う3Dパーツモデリング演習の設計データ(根拠)になります。「正しく描けない = 次の工程に進めない」という、実務と同じ責任感をもって取り組みます。

 

■訓練時間:42時限

はじめてのカム機構を学びながら
楽しい動きのおもちゃづくり

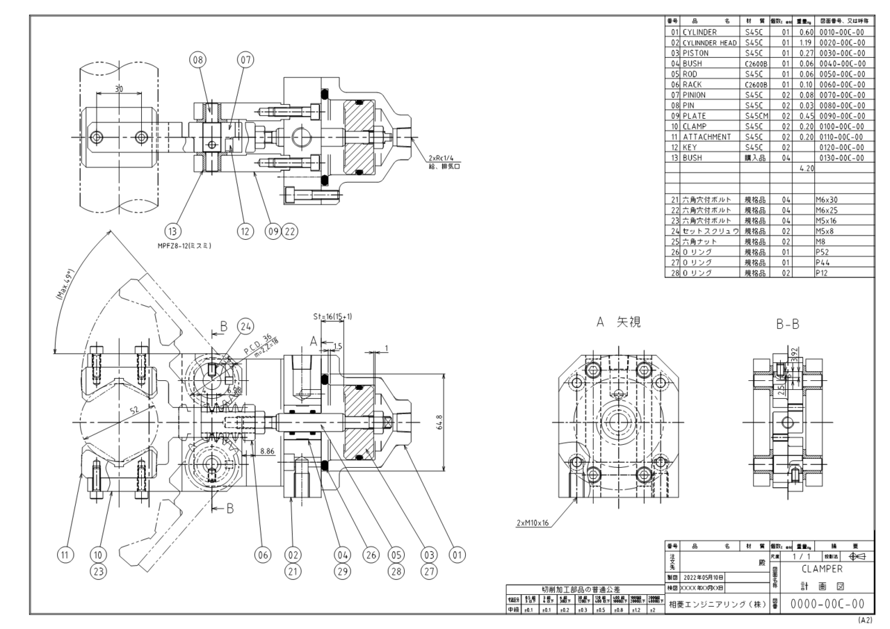
クランパー設計計画図面ばらし演習(2D-CAD)

クランパー装置(以下CL)は、部品点数が多く構造も複雑です。全体の構成、部品間の関係性を理解しながら図面化していきます。作成する図面に作業者の設計意図を反映する形で寸法記載方法も学びます。完成した図面は、このあと行う3Dパーツモデリング演習の設計データ(根拠)になります。「正しく描けない = 次の工程に進めない」という、実務と同じ責任感をもって取り組みます。

 

訓練時間:42時限

空気圧で動く マジックハンドのような開閉機構をつくっていきます

CADコマンド演習(3D-CAD)

ここから3次元CADの訓練に入っていきます。
「2次元CADよりも3次元CADは難しい!?」とお考えの方が少なくありませんが、むしろ逆なのです。
2次元CADを習得し、読図力を備えたならば3次元CADはコマンド操作の習得だけのものと思ってください。
もちろん手法は3次元特有のものですが、2D-CADからの積み上げ式で更に楽で便利な3D-CADを扱うというイメージで良いかと思います。
Autodesk Inventor(オートデスク・インベンター)という機械系3D-CADを使用し、基本的なコマンド操作の演習を行って参りますが、3次元CADの場合「基礎がとにかく大切」と思ってください。
3Dモデルを作成する考え方や作成手順(履歴)といったところを確実に理解して頂きます。

 

■訓練時間:23時限

ここからはInventorを使って3Dの図面をつくる訓練をしていきます

DJ・3Dパーツモデリング演習

演習で作図した図面をもとに、全部品の3Dパーツモデリングを行います。
モデリングの作成方法によってはアセンブリ(部品どうしの組立)がしずらくなることもあり、モデリングのユーザービリティーが問われてくることになります。
パーツが全て完成した後は、部品の組み上げ(パーツアセンブリ)をします。
部品点数は少ないのですが、初めての実務課題のモデリングということで訓練時間は多く見積っております。 

 

■訓練時間:24時限

「ものをつくる」プロセスを画面上で
アセンブリが動くと感動しますよ

就職支援③

面接で選ばれる力を身につける

面接は、当日の受け答えだけで決まるものではありません。
実は、書類作成の段階から始まっています。

面接前の準備の進め方、よくある質問への考え方と答え方を、体系的に整理します。

就職支援①②で整えた内容を、面接で「使える形」に変換していきます。

ロールプレイを通じて実践を重ね、本番で落ち着いて力を出せる状態をつくります。内定につながる自信と対応力を、着実に高めるための面接対策です。

 

■訓練時間:6時限

企業に就職するための最大の難関
「面接」を練習していきます

DD・3Dパーツモデリング演習

この演習科目は溶接構造品や購入品(既に販売されている部品)などを外部から参照して盛り込むといった、実務でも即戦力レベルのパフォーマンスを訓練する内容です。
色々な所に気を遣い、精度の高いモデリング&アセンブリに取り組んで頂きます。
このような経験は就職活動の自信の評価としてのエビデンスに十分値するものですから、しっかり臨んで頂けたらと思います。             

 

■訓練時間:36時限

画像の説明を入力してください

PD・3Dパーツモデリング演習

溶接構造品や購入品(既成部品)を外部データとして参照し、3Dモデリングとアセンブリを行う即戦力レベルの演習です。シャフトやベアリング、スプロケットやベルト(実際の演習では組み込まない)などの部品を作成しながら、モデリング ➡ アセンブリまでの一連の流れを体験します。

機械要素を意識して、楽しみながら取り組んでください。

 

■訓練時間:30時限

画像の説明を入力してください

3Dデータドローイング演習

3Dパーツモデリングやアセンブリをしたデータを2D図面化するのがこの訓練科目です。

3D-CADが主流になりつつある理由の一つとしては、まず3次元で形状をモデリングした後、2D図面化をするほうが、2D図面作成よりも時短でヒューマンエラーの防止につながるからです。

Inventorで作成した3Dデータを2D図面化し、AutoCADにデータ変換し製作図面とするケースが現場では多く見受けられますので、そのあたりを経験することも有効かと思います。 

 

■訓練時間:12時限

自分でモデリングした3Dデータを
2D図面化していきます

PC・3Dパーツモデリング演習

PC(確動カム)を2D図面から3Dモデリングします。
前段のPCばらし演習で作成した図面を基に構成部品を作成しながら、モデリング➡アセンブリまでの一連の流れを体験します。
動きのある仕組みをモデル化し、実際に動かす(シミュレーション)作業です。
ここから「モデリングが楽しい」と感じる受講生が増えてきます。

併せて2D図面の正確さ、見やすさから「過去の自分」の実力と現在のスキルアップが体感できる仕組みになっています。

 

■訓練時間:36時限

画像の説明を入力してください

CL・3Dパーツモデリング演習

本講座、最後の演習。

CL(クランパー装置)の3Dモデリングを行います。複数のリンクが連動して動くため、アセンブリの手応えがあります。モーション設定(動作シミュレーション)も行い、3D-CADの醍醐味を体感できます。これまで描いてきたすべてのCAD図面が、ここにつながります。最後まで丁寧に取り組んでください。

 

■訓練時間:36時限

画像の説明を入力してください

3Dデータプリンティング

3Dプリンター出力を行う、実務課題実習です。                      

●嵌め合い、交差(クリアランス)などの要素設計

●2D図面 ➡ 3Dモデリング

●部品同士の組み合わせ検証

「データが形になる」経験は、製造をより身近に感じる大きな学びです。

 

自分で図面を書いてLet'sものづくり!
3Dプリンターの特性も学びます

厚生労働省の支援制度に基づく認定職業訓練

多彩な設計実務を長年経験した講師陣が、
単なるCAD操作だけではなく、実践に即した設計のノウハウも指導します。

未経験でも「安心・信頼」できる専属講師による
フレキシブル且つ充実したカリキュラムを設けております。 

受講生のこえ 

10期生の声

とても有意義な半年間でした!

親身になって教えてもらえる環境で、未経験者でしたが、なんとかついていくことができました。

CADの基礎を学んだことで、少しではありますが設計や製造のプロセスが理解できました。

また、日常生活においても物理的・抽象的な事象を今までになかった多角的な見方でとらえられるようになったと実感します。

なにより、仲間と切磋琢磨することで楽しく半年を過ごすことができました。

11期生の声

裏方として、誰かの人生の転機を支えられる。
その喜びを毎日実感しています。

設計ではなく事務として就職しました。訓練教室のPC設定やネットワーク整備など、学びの環境を支えるシステム担当としての役割も任されています。CADには触れません。でも、受講生の皆さんが真剣な表情で画面に向き合い、新しい技術と未来に挑戦する姿を目の前で見ていると、「私の仕事も、この一歩を支えているんだ」と実感します。

訓練の学びは、ただ技術を身につけるだけじゃなくて、“自分でやりきる力”を養うことだと思います。

これからも、表には出ない仕事かもしれません。でも、ここで学ぶ仲間たちの未来のために、一番近い場所で支え続けたいと思っています。

12期生の声

毎日の講義で自信がつきました。

広いスペースで作業を行えるため、常に集中して講義を受けることができます。

また、知識0、業界未経験でも丁寧に教えていただけるので確実にスキルを身につけられました。

講師や事務の方だけでなく会社全体に明るく話しやすい空気感があり、学習意欲さえあればたくさんのことを吸収できる環境だと思います。

求職者支援訓練を受講するまでの流れ

求職者の方がハローワークへ


居住地を管轄するハローワークで事前に
職業訓練の相談をしてください。
相談後に、お問合せをお願いいたします。

お電話または上記フォームよりご連絡ください。

トレーニングセンター担当者がご対応いたします。

訓練の説明・見学

 

訓練に関するお問合せ・見学は随時行っております。

ご希望の日程をトレーニングセンター担当者まで
ご連絡ください。
弊社施設の見学や開講日程・目的・訓練カリキュラムのご説明をいたします。

 

ハローワークに受講申請書を提出

 

居住地を管轄するハローワークにて

受講申し込み手続きを行ってください。

申し込みに必要な受講申込書は

ハローワークの窓口で受け取ってください。

 

当社にて、選考

トレーニングセンター担当者により

受講者を選考いたします。

最大15名の受講が可能です。

選考については面接にて行います。

訓練開始

 

選考合格者が半年間にわたり、

求職者支援訓練を受講します。

受講期間中はしっかりと技術力をつけるように努力を

お願いいたします。

当社社員が就職支援等フォロー・バックアップ体制を

構築しています。

(職業訓練受講給付金については、居住地を管轄するハローワークにご相談下さい)

 

訓練機関の紹介

教室責任者のメッセージ

はじめまして。教室責任者の中尾 眞由美です。
私たちが大切にしているのは、CADが初めての方でも「手が動き出す実感」を得られること。 

「図面が読める、形にできる、仕事につながる」

その喜びを、ひとり一人に届けたいと考えています。

訓練では、機械製図の基礎から3D-CADまで、実務経験豊富な講師が伴走します。
不安があっても大丈夫。ここには、同じ目標に向かう仲間と、あなたを支える講師がいます。

一緒に、未来の自分をつくりませんか。       

トレーニングセンターの紹介

JR相模原駅から、さんはぜ通りを直進
徒歩5分程の距離に訓練施設があります

事務局のサポートも万全
質問などいつでも受け付けています♪

現場経験豊富な講師による授業
設計への熱い思いも聞けるかも

アクセス案内

アクセス:JR横浜線「相模原駅」南口より徒歩5分

南口を出て「さんはぜ通り」を淵野辺方面へ直進。
信号を2つ過ぎた右手に、レンガ造りの建物があります。
そちらが訓練実施施設です。
(向かい側はセブンイレブン相模原4丁目店様)

目印ポイント
  • 道順はほぼ直線、迷いにくいです
  • レンガの外観が特徴です
  • 近隣にコインパーキング複数あります

よくあるご質問

ここではよくあるご質問をご紹介します。

初めて行くのが不安です。
迷ったらどうすれば?

ページ下部の電話番号へご連絡ください。
スタッフがご案内します。

車で行きたいのですが・・・
駐車場はありますか?

専用駐車場はございません。
建物付近にコインパーキングが複数ございます。

自転車で行きたいのですが・・・
駐輪場はありますか?

駐輪スペースがございます。
建物前に一時駐輪スペースを用意しております。

☆見学ご希望の方は、お問い合わせ下さい☆

お申込みフォーム

以下のフォームに必要事項をご記入の上、「送信する」ボタンをクリックしてください。

必須

(例:見学について)

必須

(例:山田 太郎)

必須

(例:やまだ たろう)

必須

(例:選択した項目にご連絡いたします)

(例:03-0000-0000)

(例:sample@XX.com)

(例:○○県○○市○○町1-2-3)

(例:見学希望日や担当者への質問など)

※次の画面が出るまで、4〜5秒かかりますので、
続けて2回押さないようにお願いいたします。